Uwe's DIY-Projekte
Bilder
Bilder
3D-Drucker
3D-Drucker
3D-Drucker
Amazon-Echo-Alexa-Stilecht
Amazon-Echo-Alexa-Stilecht
Amazon-Echo-Alexa-Stilecht
Aufschnittmaschine
Aufschnittmaschine
Aufschnittmaschine
Bandsaege-KS300
Bandsaege-KS300
Bandsaege-KS300
Ueberholt
Bandsaege-KS300/Ueberholt
Ueberholt
Urzustand
Bandsaege-KS300/Urzustand
Urzustand
Batocera-Raspi-C64
Batocera-Raspi-C64
Batocera-Raspi-C64
DiY-Micro-Soldering-Station
DiY-Micro-Soldering-Station
DiY-Micro-Soldering-Station
Enkelchens-Matschkueche
Enkelchens-Matschkueche
Enkelchens-Matschkueche
Garten-Bockwindmuehle
Garten-Bockwindmuehle
Garten-Bockwindmuehle
Heizungssteuerung-mit-RaspBerry-ePaper
Heizungssteuerung-mit-RaspBerry-ePaper
Heizungssteuerung-mit-RaspBerry-ePaper
IPad-I recycling
IPad-I recycling
IPad-I recycling
Lastenfahrrad
Lastenfahrrad
Lastenfahrrad
Nachher
Lastenfahrrad/Nachher
Nachher
Vorher
Lastenfahrrad/Vorher
Vorher
Mittelalter-Armbrust
Mittelalter-Armbrust
Mittelalter-Armbrust
PCB-Laserbelichter-100mW
PCB-Laserbelichter-100mW
PCB-Laserbelichter-100mW
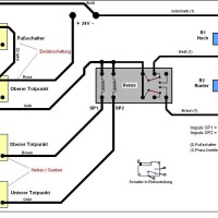
Projekt-Lufthammer
Projekt-Lufthammer
Projekt-Lufthammer
Schmiede
Schmiede
Schmiede
Smoker-aus-Gasflaschen
Smoker-aus-Gasflaschen
Smoker-aus-Gasflaschen
Weber-Grillstation
Weber-Grillstation
Weber-Grillstation
Wohnzimmer-Elektronik-Arbeitsplatz
Wohnzimmer-Elektronik-Arbeitsplatz
Wohnzimmer-Elektronik-Arbeitsplatz
elektronische-Leitspindel-Drehbank
elektronische-Leitspindel-Drehbank
elektronische-Leitspindel-Drehbank
Not logged in !
ANMELDEN
Projekt-Lufthammer
Kommentare
Projekt-Lufthammer
Bilder
Kommentare